High Vacuum Ball Valve, 3-Way, Pneumatic, KF50
Model: BALL-33420
High Vacuum Ball Valve, 3-Way, Pneumatic, KF50
Model: BALL-33420

Overview
Overview
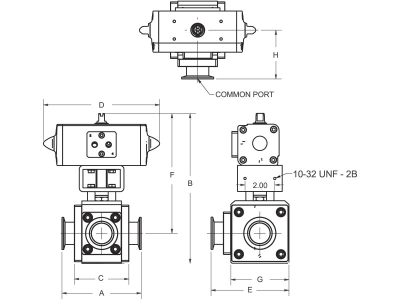
The BALL-33420 3-way High Vacuum Pneumatic Ball Valve features a 1.375 inch Ball Port and NW50 ISO-KF flange. 3-way ball valves are designed to divert flow from either of two inlet ports to a single, common outlet port. 3-way high vacuum ball valve components - body, stem, L-port ball, and three end caps are machined from corrosive resistant 316L stainless steel. Fluoroelastomers seal the stem and end caps from atmosphere while PTFE Teflon® seats cold flow around the ball to isolate one inlet port while diverting flow through the other. Flow through the valve is diverted pneumatically by 1/4 turn, quick actuation. During actuation, the PTFE Teflon seats wipe across the ball, reducing particulate build-up and making this valve robust in particle-rich effluent streams.
Technical Specs
- Type3-way Ball Valve
- Vacuum Range1.0 x 10-8 Torr
- Flange SizeKF50
- Flange TypeISO-KF
- Helium Leak Rate<1 x 10Λ-9 std. ss/sec
- ActuationPneumatic
- Body Materials316L stainless steel
- SealFluoroelastomer
- SeatPTFE Teflon
- Standard Fluoroelastomer Seal Rating-26 - 150°C (-15 - 302°F)
- LubricantDow Corning High Vacuum Grease
- Actuator Operating Pressure80 - 120 psig
- Ball Port Diameter1.375 in.
- Tube Outer Diameter2.0 in.
- End Cap TypeKF50
- Conduct34 l/sec
- Dimension "A"6.31 in.
- Dimension "B"10.1 in.
- Dimension "C"3.7 in.
- Dimension "D"7.8 in.
- Dimension "E"5.7 in.
- Dimension "F"8.1 in.
- Dimension "G"4.4 in.
- Dimension "H"3.76 in.
- O-Ring MaterialViton
- Actuator Temperature RangeMoist Air: 0 - 150°C (32 - 302°F), Dry Air: -20 - 150°C (-4 - 302°F)
- Air Line Hook-up0.125 in. NPT
Technical Specs
- Type3-way Ball Valve
- Vacuum Range1.0 x 10-8 Torr
- Flange SizeKF50
- Flange TypeISO-KF
- Helium Leak Rate<1 x 10Λ-9 std. ss/sec
- ActuationPneumatic
- Body Materials316L stainless steel
- SealFluoroelastomer
- SeatPTFE Teflon
- Standard Fluoroelastomer Seal Rating-26 - 150°C (-15 - 302°F)
- LubricantDow Corning High Vacuum Grease
- Actuator Operating Pressure80 - 120 psig
- Ball Port Diameter1.375 in.
- Tube Outer Diameter2.0 in.
- End Cap TypeKF50
- Conduct34 l/sec
- Dimension "A"6.31 in.
- Dimension "B"10.1 in.
- Dimension "C"3.7 in.
- Dimension "D"7.8 in.
- Dimension "E"5.7 in.
- Dimension "F"8.1 in.
- Dimension "G"4.4 in.
- Dimension "H"3.76 in.
- O-Ring MaterialViton
- Actuator Temperature RangeMoist Air: 0 - 150°C (32 - 302°F), Dry Air: -20 - 150°C (-4 - 302°F)
- Air Line Hook-up0.125 in. NPT
Resources & Downloads
Literature
3-Way High Vacuum Ball Valves(267.5 kB, PDF)

