CF Flange, 4.5 in., 2.0 in. O.D. Tube Bore, Nonrotatable, Thru Bolt Holes
Model: 100885002
CF Flange, 4.5 in., 2.0 in. O.D. Tube Bore, Nonrotatable, Thru Bolt Holes
Model: 100885002

Overview
Overview
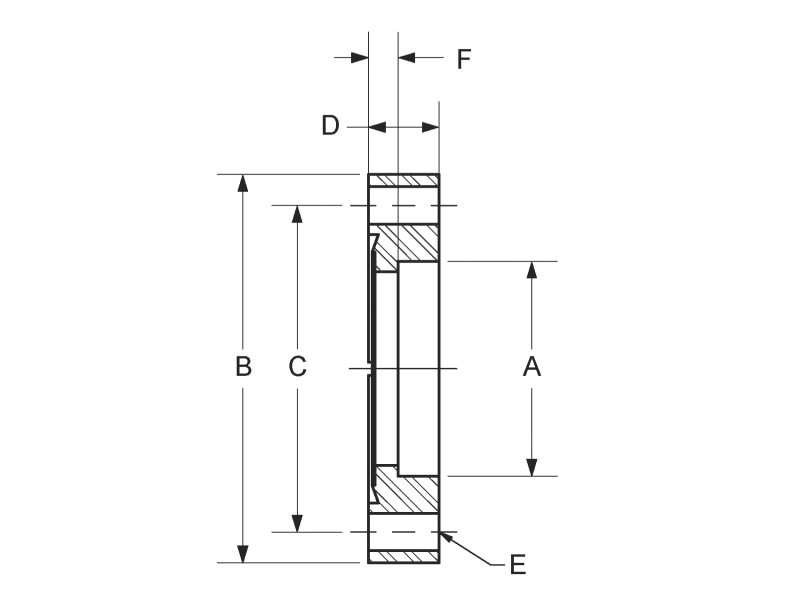
The 100885002 Bored CF Flange features a bore for 2 inch outside diameter vacuum tubing and is used is to connect tubing to 4 1/2 inch CF flanges in ultrahigh vacuum (UHV) piping applications. This Nonrotatable CF flange is designed to be joined to a rotatable CF flange to simplify the alignment with the bolt holes. It features eight 0.332 in. (8.4 mm) flange thru-holes for joining the flange using 5/16-24 bolts and nuts. Series 88 CF-style fittings are the standard for ultra-high vacuum (UHV) applications. They use a flat gasket placed between two knife edges to provide a vacuum tight seal. Mating flanges have identical profiles, i.e., they are sexless, eliminating the need to store two types or worry about compatibility. Series 88 CF components are suitable for use in the ultrahigh vacuum applications to below 10-13 Torr and in temperatures from -196° to 500°C. The material characteristics of the flanges, seals, screws, and nuts are selected to provide high performance throughout a wide temperature range. Rotatable and non-rotatable flanges in sizes from mini 1-1/3 to 4-5/8 inches are available with several bore sizes to fit a range of vacuum tube diameters. CF components are joined by inserting a gasket between the two flange faces, then securing the assembly with bolts. Bolts should be tightened diagonally, versus sequentially around the circumference, for a secure vacuum seal. Assembly is cost effective through reuse of components and inch dimensional stubs, sockets, and tubes. The foolproof design provides leak tight joints consistently.
Technical Specs
- Component TypeNonrotatable Flange
- SeriesSeries 88
- Flange TypeCF
- Flange Size4.5 in.
- Tube OD2.0 in.
- Nonrotatable FlangesOne
- Bolt HolesThru Holes
- Number of Holes8
- Thru Hole Diameter0.332 in. (8.4 mm)
- Material304 Stainless Steel
- Dimension "A"2.00 in.
- Dimension "B"4.50 in.
- Dimension "C"3.63 in.
- Dimension "D"0.69 in.
- Dimension "F"0.38 in.

Technical Specs
- Component TypeNonrotatable Flange
- SeriesSeries 88
- Flange TypeCF
- Flange Size4.5 in.
- Tube OD2.0 in.
- Nonrotatable FlangesOne
- Bolt HolesThru Holes
- Number of Holes8
- Thru Hole Diameter0.332 in. (8.4 mm)
- Material304 Stainless Steel
- Dimension "A"2.00 in.
- Dimension "B"4.50 in.
- Dimension "C"3.63 in.
- Dimension "D"0.69 in.
- Dimension "F"0.38 in.

