Blank Weld Stub Flange, ISO-KF Size NW16, 0.75 inch Length, Aluminum
Model: 100311101
Blank Weld Stub Flange, ISO-KF Size NW16, 0.75 inch Length, Aluminum
Model: 100311101

Overview
Overview
The 100311101 Blank Weld Stub Flange is made with type 6061T6 aluminum and is intended to be for turned, bored, or tapped to fit. This blank weld stub features a size NW16 ISO-KF vacuum flange and has a 0.75 inch overall length. Series 31 ISO-KF vacuum components are designed for use at subatmospheric pressure and use standard interface dimensions defined by the International Standards Organization (ISO) allowing them to be interchangeable with other ISO-KF compliant components. Series 31 components can be used as modular building blocks to create vacuum piping systems. IS-KF flanges are "sexless" with a symmetrical seal so that so that components are rotatable. ISO-KF vacuum flanges are joined by inserting a centering ring between the two flange faces, and securing them with a flange encompassing clamp.
Technical Specs
- Component TypeUnbored Weld Stub Flange
- SeriesSeries 31
- MaterialAluminum
- Flange TypeISO-KF
- Flange SizeNW16
- Tube OD0.75 in.
- Length0.75 in. (19.05 mm)
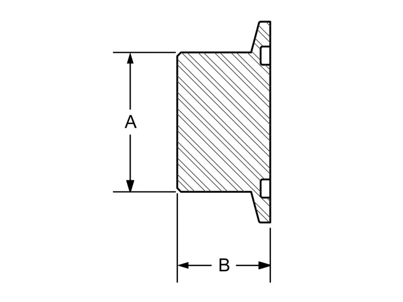
- Dimension "A"0.75 in.
- Dimension "B"0.75 in.

Technical Specs
- Component TypeUnbored Weld Stub Flange
- SeriesSeries 31
- MaterialAluminum
- Flange TypeISO-KF
- Flange SizeNW16
- Tube OD0.75 in.
- Length0.75 in. (19.05 mm)
- Dimension "A"0.75 in.
- Dimension "B"0.75 in.

